新聞中心
News Center
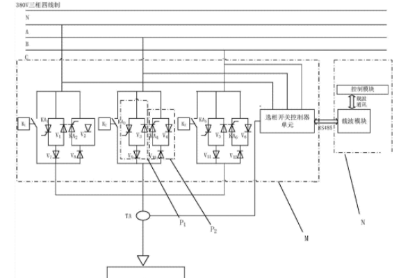
如何調節變壓器三相不平衡
2022-01-18
一、配電變壓器三項負荷不平衡的原因。
1.1為什么會有管理。
在配變三項負荷不均衡的情況下,并沒有制定出相應的考核管理辦法,在進行管理時存在著一定的盲目性,隨心;操作人員對配電變壓器三種負荷的管理也比較寬松,因此造成變壓器長時間處于三種負載不平衡狀態。
1.2網狀結構問題。
由于電網結構的不徹底改造,電網結構一直比較薄弱,運行時間也較長。
此外,單相低壓線路的問題并未得到改善,且線路均為電力與照明混合使用,單相供電設備較多,這些設備功率均較大,應用中多采用單相電源,利用幾率也不一致,造成變壓器在三次負荷中易出現不平衡的情況,并增加了管理難度。

二、三相負荷不平衡危害。
2.1對配電變壓器的危害。
從而降低了配變功率。
配變電所的繞組結構按負載均衡運行條件設計,各相性能基本一致,額定容量相同。
配電網中的每個相容額定功率限制在一定范圍內,當配變處于不平衡狀態時,一個負載較輕的一相具有富余能力,從而降低了輸出功率。
三相負荷失衡越嚴重,配電變壓器輸出功率的下降越大。
由于這種情況,當三相負荷不均衡運行時,配變輸出容量達不到額定值,其備用容量也相應減少,過載能力下降。
與此同時,配電變壓器處于非對稱運行狀態,會引起零序電流過大,輕則引起配電變壓器局部金屬配件溫升過高,重則會引起配電變壓器單相燒毀或斷線,燒損線路設備和用戶電器設備。

2.2對普通家電產品的危害。
當三相負荷不平衡時,配電網中的中性點偏移導致各相輸出電流不相等,必然引起三相電壓的不平衡,而中性點的位移使中性線有電流通過。
此種情況下,重載的一相電壓下降,導致燈泡不亮,電器效能降低,而一相負荷電壓升高,可引起家電絕緣被擊穿,損壞或壽命縮短。
2.3對發動機的危害。
若三相變壓器輸出的三相電流不平衡,則在線路中產生負序電壓,而負序電壓所產生的旋轉磁場正相反,在正序電壓下,會有阻旋作用。
因為正序磁場產生的能量更大,電動機仍按正向轉動,但是由于電磁場中存在負序電壓,所以在一定程度上減小了電動機的輸出功率,減小了扭拒,從而降低了電機的效率。
與此同時,電機無用功率增大,線圈溫度上升。
電動機在三項不平衡的情況下運行,不僅降低了電機的壽命,而且增加了能耗。

2.4身體傷害。
當配電網三相負荷嚴重失衡時,在中性點接地運行方式下,當接地電阻不能達到技術要求時,配電變壓器三相負荷嚴重失衡,將導致中性線帶電,從而對接地極或配電變壓器金屬支架人員的人身安全構成威脅。
當三相負載嚴重不對稱不平衡時,較大的電流和較高的零線上會產生電擊危險,從而造成人身電擊危險。
雜志條目分類查詢,盡在期刊庫。
2.5電壓品質及線損效應。
當三相負荷不平衡度較大時,配電變壓器中性點未接地或接地電阻不能達到技術要求時,中性點將產生位移,導致中性線有一定的電壓,這樣就增加了線路的電壓降,使得線路供電電壓偏低,特別是線路端電壓遠遠超過電壓降允許的范圍,直接導致用戶用電設備無法正常運行。
電氣效率降低,同時大大增加了線損耗。
在配電網絡中,由于單相負荷的存在,常常會引起三相不平衡,其結果不僅增加了相線損耗,還使中性線有電流通過,從而產生損耗,從而大大增加了線損。
研究表明,三相負荷失衡通常會導致低壓線損失率上升2%—10%,而不平衡度越高對低壓線損失率的影響就越大,如不平衡度大于30%,低壓線損率可能達到3~10%。